- Главная
- Каталог
- Крепеж
- Фланцы, заглушки, втулки
- Фланцы резьбовые
- Фланцы резьбовые ГОСТ 9399-81
Фланцы резьбовые ГОСТ 9399-81
Резьбовые фланцы могут изготавливаться с помощью разных технологий, но самыми распространёнными и эффективными являются:
- Центробежное литьё. В этом случае расплавленный метал вливается в специальные формы, а после полного застывания материала, заготовка обрабатывается на станке. Это менее трудоёмкий и затратный способ, поэтому фланцы, изготовленные при помощи литья, получаются недорогими. Однако есть у метода существенный недостаток — в силу особенностей технологии готовые соединительные приспособления могут содержать воздушные камеры. Подобный дефект часто становится причиной поломки изделия.
- Штамповка. Способ подразумевает дополнительную ковку отлитых запчастей. В результате манипуляций удаётся создать крепкие фланцы, лишённые воздушных камер. Такие разновидности отличаются высокой надёжностью, однако стоят дороже, чем литые.
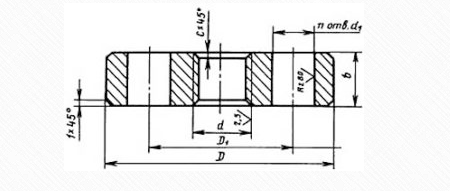
Фланцы резьбовые ГОСТ 9399-81 — круглая плоская деталь, на внутреннюю часть которой нанесена резьба. По внешнему радиусу детали располагаются отверстия для болтов, шпилек и прочих аналогичных приспособлений.
Сфера применения
Фланцы стальные резьбовые ГОСТ 9399-81 широко используются в следующих областях:
- нефтехимии и сфере переработки нефтепродуктов;
- пищевой промышленности;
- химическом производстве;
- автомобилестроении;
- коммунальной сфере.
Изделия особенно востребованы в магистралях с большим диапазоном давлений, эксплуатируемых в суровых условиях, обусловленных сильными перепадами температур.
Таблица 1 — Фланец резьбовой ГОСТ 9399-81
Таблица 2 — Фланец резьбовой ГОСТ 9399-81
Таблица 3 — Фланец резьбовой ГОСТ 9399-81
Для производства изделий используется несколько марок стали:
- 20, 20ЮЧ;
- 09Г2С;
- 13ХФА;
- 15Х5М;
- 12Х18Н10Т;
- 10Х17Н13М2Т.
Соединительные элементы, изготовленные с соблюдением технологий и требований ГОСТ 9399-81, должны отвечать следующим параметрам:
- Ду, мм: от 6 до 200;
- Ру, МПа: от 20 до 100;
- Температура среды, оС: от −40 до +510
Санкт-Петербургский завод крепежных изделий предлагает купить резьбовые фланцы ГОСТ ГОСТ 9399-81, выбрав подходящий размер изделия в таблице, или заказать детали по индивидуальному чертежу.
Резьбовые фланцы могут изготавливаться с помощью разных технологий, но самыми распространёнными и эффективными являются:
- Центробежное литьё. В этом случае расплавленный метал вливается в специальные формы, а после полного застывания материала, заготовка обрабатывается на станке. Это менее трудоёмкий и затратный способ, поэтому фланцы, изготовленные при помощи литья, получаются недорогими. Однако есть у метода существенный недостаток — в силу особенностей технологии готовые соединительные приспособления могут содержать воздушные камеры. Подобный дефект часто становится причиной поломки изделия.
- Штамповка. Способ подразумевает дополнительную ковку отлитых запчастей. В результате манипуляций удаётся создать крепкие фланцы, лишённые воздушных камер. Такие разновидности отличаются высокой надёжностью, однако стоят дороже, чем литые.
Фланцы резьбовые ГОСТ 9399-81 — круглая плоская деталь, на внутреннюю часть которой нанесена резьба. По внешнему радиусу детали располагаются отверстия для болтов, шпилек и прочих аналогичных приспособлений.
Сфера применения
Фланцы стальные резьбовые ГОСТ 9399-81 широко используются в следующих областях:
- нефтехимии и сфере переработки нефтепродуктов;
- пищевой промышленности;
- химическом производстве;
- автомобилестроении;
- коммунальной сфере.
Изделия особенно востребованы в магистралях с большим диапазоном давлений, эксплуатируемых в суровых условиях, обусловленных сильными перепадами температур.
Таблица 1 — Фланец резьбовой ГОСТ 9399-81
Таблица 2 — Фланец резьбовой ГОСТ 9399-81
Таблица 3 — Фланец резьбовой ГОСТ 9399-81
Для производства изделий используется несколько марок стали:
- 20, 20ЮЧ;
- 09Г2С;
- 13ХФА;
- 15Х5М;
- 12Х18Н10Т;
- 10Х17Н13М2Т.
Соединительные элементы, изготовленные с соблюдением технологий и требований ГОСТ 9399-81, должны отвечать следующим параметрам:
- Ду, мм: от 6 до 200;
- Ру, МПа: от 20 до 100;
- Температура среды, оС: от −40 до +510
Санкт-Петербургский завод крепежных изделий предлагает купить резьбовые фланцы ГОСТ ГОСТ 9399-81, выбрав подходящий размер изделия в таблице, или заказать детали по индивидуальному чертежу.







